硬密封蝶閥

硬密封蝶閥

  • 質量穩定
  • 價格合理
  • 交貨快捷
  • 泰通閥門為您提供全套工程閥門解決方案
  • 銷售:021-6810 3333    6139 0811
  • 傳真:021-5168 6322
  • 地址:上海南匯空港工業區金聞路1288號

詳細介紹

產品概述
硬密封蝶閥,系長壽命、節能型蝶閥。其結構采用三維編心原理設計,閥座采用硬軟密封兼容的多層次結構,加工精湛,工藝先進。硬密封蝶閥由閥體、蝶板、多層次閥座、閥桿、傳動機構等主要部件組成。硬密封蝶閥因此被廣泛地應用到冶金、電力、石油、化工、空氣、煤氣、可燃氣體以及給排水等腐蝕性介質的管道上。

結構特點
硬密封蝶閥由于本產品蝶閥采用的是三維偏心原理設計,使密封面的空間運動軌跡達到理想化,密封面相互之間無磨擦、無干涉、加之密封材料選擇得當,從而使蝶閥的密封性、耐腐蝕性、耐高溫性和耐磨性等得到了可靠的保證。其主要特點如下:

1、開啟力矩小,靈活方便,省力節能。
2、三維編心結構,使蝶板越關越緊,其密封性能可靠,達到無泄漏。
3、耐高壓、耐腐蝕、耐磨損、使用壽命長等。

采用標準
設計標準 :GB/T12238989;JB/T8527997
法蘭連接尺寸:
GB/T9113.1-2000;GB/T9113.2-2000
GB/T9115.1-2000;GB/T9115.2-2000
結構長度:GB/T12221989
壓力試驗:GB/T13927992;JB/T9092999

執行機構
類型:CH系列特點:
1.硬密封蝶閥功能強勁:智能型、調節型、開關式。
2.硬密封蝶閥體積小巧:體積僅相當于同類產品的35%左右。
3.使用方便:采用單相電源,接線簡單;采用獨創的球型凸出結構,使觀察更方便;免加油免點檢、防水防銹、任意角度安裝。
4.保護裝置有雙重限位、過熱保護、過載保護。全行程時間15秒、30秒、45秒、60秒。及帶手動功能。
5.硬密封蝶閥智能數控:內置模塊采用先進計算機單片及智能控制軟件直接接收計算機或工業儀表等輸出的標準信號(4-20mA DC /1-5VDC)實現閥門開度的智能控制和精確定位。
也可選用3810系列或NA系列電子式角行程執行機構.亦可選用PSQ系列或DYR系列。≥DN 200口徑閥門一般采用380VAC電動執行器。國內品牌如瑞基,澳托克,揚州電力,天二通,蘭陵等;國外品牌有英國羅托克、法國伯納德、德國甌瑪、德國西博思(西門子)等。

技術參數

公稱通徑
DN(mm)
50~2000
50~500
公稱壓力
PN(MPa)
0.6
1.0
1.6
2.5
4.0
試驗壓力
強度試驗
0.9
1.5
2.4
3.75
6.0
密封試驗
0.66
1.1
1.76
2.75
4.4
氣密封試驗
0.6
0.6
0.6
0.6
0.6
滲漏率
<0.1×DNmm3/s(符合GB/T13927-92標準)
適用溫度
碳鋼:-29℃~425℃ 不銹鋼-40℃~600℃
適用介質
空氣、水、蒸氣、煤氣、油品以及酸、堿、鹽帶有弱腐蝕性介質等
驅動形式
蝸桿蝸輪傳動、氣傳動、電傳動

 

主要零件的材質

零件名稱
材料
閥體
鑄鐵、不銹鋼、鉻鉬鋼、合金鋼
蝶板
鑄鋼、合金鋼、不銹鋼、鉻鉬鋼
密封圈
不銹鋼與耐高溫石棉板組合成多層次
閥桿
2Cr13、1Cr13不銹鋼、鉻鉬鋼
軸承
奧氏體不銹鋼、304氮化
填料
柔性石墨

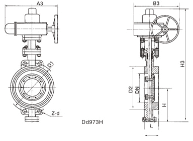
產品尺寸

硬密封蝶閥

溫馨提示:“硬密封蝶閥”所有文字、數據、圖片均只適用于參考。
如需與實物相吻合的性能參數、結構尺寸參數等詳情請來電來函索取。
電話:021-68103333    傳真:021-51686322
  • 泰通二維碼掃一掃關注我們
  • 聯系我們
  • 公司地址:上海南匯空港工業區金聞路1288號
  • 浙江基地:溫州甌北東甌工業區
  • 銷售:021-68103333 
  • 郵箱:shttv@qq.com
© 2017 上海泰通閥門有限公司 版權所有 滬ICP備11033150號
Top

[關閉]免費接聽泰通銷售工程師電話

輸入手機或固定電話號碼,點擊“免費咨詢”按鈕后,
我們的服務人員會在15秒內回撥您。

手機請直接輸入:如 13878800000
座機前請加區號:如 02168103333
我們已對本次通話全程加密,您的通話費用我們已經幫您支付,請放心接聽!
免費通話所產生的費用由我們來支付,請放心接聽!
銷售熱線:021-6810 3333