Q671氣動對夾球閥

Q671氣動對夾球閥

  • 質量穩定
  • 價格合理
  • 交貨快捷
  • 泰通閥門為您提供全套工程閥門解決方案
  • 銷售:021-6810 3333    6139 0811
  • 傳真:021-5168 6322
  • 地址:上海南匯空港工業區金聞路1288號

詳細介紹

產品概述
Q671 氣動對夾球閥是氣動球閥中的一種,是引進意大利技術進行國產化設計而發展出的新一代超短法蘭距球閥,球芯通道形狀有矩形、V形及O形。該產品具有結構緊湊、體積小、重量輕、安裝方便等特點,可廣泛應用在石油、化工、冶金、電站、輕工等領域,對油、水、氣及紙漿或纖維狀流體進行自動調節或切斷控制。Q671 氣動球閥由氣動雙活塞齒輪齒條執行器和超短法蘭距球閥組合而成,閥體部分同“1”電動球閥閥體一樣。氣動活塞執行機構分有彈簧式和無彈簧式兩種。故障下要求閥全開或關閉時配有彈簧式(靠彈簧的恢復張力復位),故障下要求保位時,配無彈簧式。它主要由缸體、彈簧、活塞、活塞桿、前后缸蓋、齒條、輸出軸等零部件組成。對兩位開關閥,需配電磁閥以及行程開關等;對比例式調節閥,需配定位器。
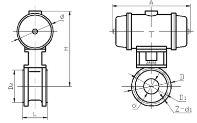
主要連接尺寸
SIZE 1/2" 3/4" 1" 1 1 / 4 " 1 1 / 2 " 2" 2 1 / 2 " 3" 4" 5" 6" 8"
d 15 19 23.5 30 36 45 58 67 76 100 125 195
L 35 38 42 50 60 72 95 118 140 195 260 350
D 95 105 115 135 145 160 180 195 215 245 280 335
D1 65 75 85 100 110 125 145 160 180 210 240 295
D2 45 55 65 78 85 100 120 135 155 185 210 265
H 62 70 79 86 92 102 158 172 187 200 240 278
E 110 125 135 150 150 180 250 300 350 650 840 1000
b 14 14 16 16 18 20 22 24 24 26 26 28
z-d1 44 44 44 48 48 48 48 88 88 88 8-23 12-20
f 2 2 2 3 3 3 3 3 3 3 3 3
產品尺寸
溫馨提示:“Q671氣動對夾球閥”所有文字、數據、圖片均只適用于參考。
如需與實物相吻合的性能參數、結構尺寸參數等詳情請來電來函索取。
電話:021-68103333    傳真:021-51686322
© 2017 上海泰通閥門有限公司 版權所有 滬ICP備11033150號
Top

[關閉]免費接聽泰通銷售工程師電話

輸入手機或固定電話號碼,點擊“免費咨詢”按鈕后,
我們的服務人員會在15秒內回撥您。

手機請直接輸入:如 13878800000
座機前請加區號:如 02168103333
我們已對本次通話全程加密,您的通話費用我們已經幫您支付,請放心接聽!
免費通話所產生的費用由我們來支付,請放心接聽!
銷售熱線:021-6810 3333