鍛鋼球閥

鍛鋼球閥

  • 質量穩定
  • 價格合理
  • 交貨快捷
  • 泰通閥門為您提供全套工程閥門解決方案
  • 銷售:021-6810 3333    6139 0811
  • 傳真:021-5168 6322
  • 地址:上海南匯空港工業區金聞路1288號

詳細介紹

鍛鋼球閥特點
鍛鋼球閥有兩種設計形式.一種是二片式結構,其中部螺紋連接,并以PTFE墊片密封;另一種是三片式結構,中部用螺栓栓結.根據所選的閥座與墊片/填料的材料不同,適應不同的工作溫度和介質.
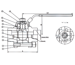
鍛鋼球閥結構:
全徑/縮徑
90度定位和帶鎖結構
特殊形式的“Y”頭手柄
防火和防靜電設計
一對相向的蝶形彈簧墊
防吹出閥桿
閥桿中部雙重密封結構
螺栓、螺紋墊片密封閥蓋
承插端符合ASME B16.11
螺紋連接端(NPT)符合ANSI/ASME B1.20.1

適用范圍
城建、化工、冶金、石油、制藥、食品、飲料、環保

800Lb鍛鋼球閥結構
序號 零件名稱 CS ASTM SS ASTM
Type A105N Type F304(L) Type F3316(L)
1.4 閥體接體,閥蓋 ASTM A105N A182 F304(L) A182 F316(L)
2 內六角螺栓 A193 B7 A193 B8 A193 B8M
5,8,10 密封圈 尼龍1010/RPFE+Cu粉/PPL
6,7 球體閥桿 A182 F410 A182 F304(L) A182 F316(L)
9 橡膠O型圈 氟橡膠
11 壓套 A182 F410 A182 F304(L) A182 F316(L)
13 手柄 A182 F321
14 螺母 A194 2H A194 8 A194 8
15 鎖卡 A182 F321

注意:客戶需求的其他材質也可采用。密封面材料配對由客戶指定內件代號決定。CS=碳鋼;AS=合金鋼;SS=不銹鋼;

800Lb鍛鋼球閥主要外形尺寸
尺寸\口徑 1/2″ 3/4″ 1″ 11/2″ 2″
L 71 96 116 128 140
A 21.8 27.1 33.8 48.7 61.1
NPT 1/2″ 3/4″ 1″ 11/2″ 2″
LO 108 146 178 178 200
H 51 62 81 85 100
900Lb-1500Lb鍛鋼球閥結構
序號 零件名稱 CS ASTM SS ASTM
Type A105N Type F304(L) Type F316(L)
1,2 閥體接體,閥蓋 ASTM A105N A182 F304(L) A182 F316(L)
3 等長雙頭螺栓 A193 B7+鍍鎘 A193 B8 A193 B8M
4 螺母 A194 2H+鍍鎘 A194 8 A194 8M
5,8 密封圈/墊片 RTFE+Cu粉/尼龍1010/PPL
6 球體 A182 F304 A182 F304(L) A182 F316(L)
7 閥桿 A182 F410 A182 F304(L) A182 F316(L)
9,10 止推片填料 RTFE+Cu粉/尼龍1010/PPL
11 壓套 A182 F410 A182 F304(L) A182 F316(L)
12 蝶形彈簧 65Mn
13 扁螺母 A194 B7+鍍鎘 A194 8 A194 8
14 手柄 Q235A
15 圓柱銷 A194 B7+鍍鎘 F316 F316
16 橡膠O型圈 氟橡膠 氟橡膠 氟橡膠
900Lb-1500Lb鍛鋼球閥主要性能規范
公稱壓力 900Lb 1500Lb  
試驗壓力 強度試驗 22.7 37.8 MPa
密封試驗 16.7 28.1
氣密試驗 0.6 0.6
最高工作溫度 尼龍<80°C,PTEF<150°C,PPL<220°C
適用介質 水、油品
900Lb-1500Lb鍛鋼球閥主要外形尺寸
尺寸\口徑 1/2″ 3/4″ 1″ 11/4″ 2″ 2″
L 92 111 127 140 152 178
178A 21.8 27.1 33.8 42.8 48.7 61.1
NPT 9.6 12.7 12.7 12.7 12.7 15.9
LO 123 160 160 195 195 250
H 1/2″ 3/4″ 1″ 11/4″ 11/2″ 2″
產品結構
溫馨提示:“鍛鋼球閥”所有文字、數據、圖片均只適用于參考。
如需與實物相吻合的性能參數、結構尺寸參數等詳情請來電來函索取。
電話:021-68103333    傳真:021-51686322
© 2017 上海泰通閥門有限公司 版權所有 滬ICP備11033150號
Top

[關閉]免費接聽泰通銷售工程師電話

輸入手機或固定電話號碼,點擊“免費咨詢”按鈕后,
我們的服務人員會在15秒內回撥您。

手機請直接輸入:如 13878800000
座機前請加區號:如 02168103333
我們已對本次通話全程加密,您的通話費用我們已經幫您支付,請放心接聽!
免費通話所產生的費用由我們來支付,請放心接聽!
銷售熱線:021-6810 3333